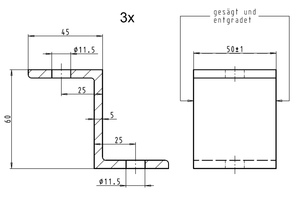
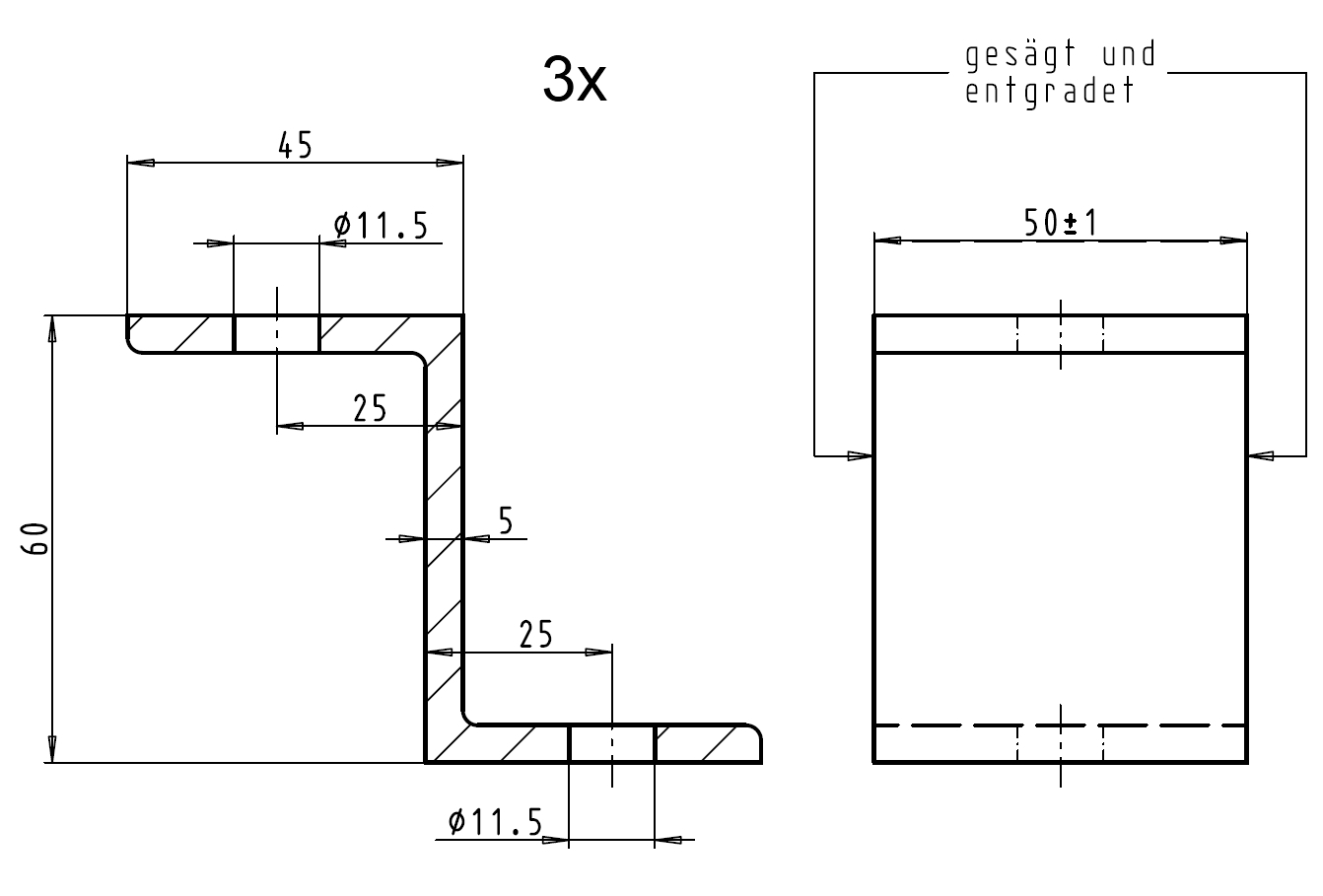
Voet 85X 50X 60 KSB

4938081 MFG #: 47077960
€160,57 / 1.00
  • Merk: KSB