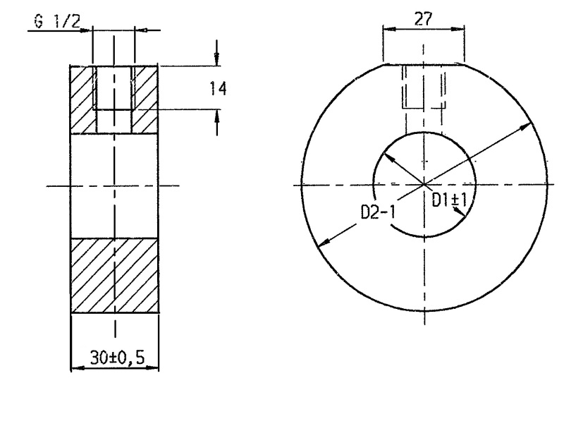
Flens 30x107 DIA KSB
4938061
MFG #: 47064196
€548,00
/ 1.00
- Merk: KSB
