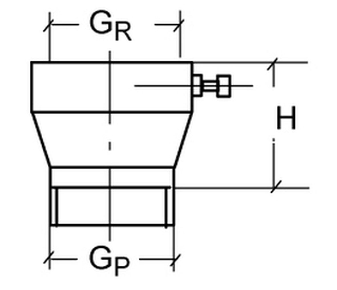
UEBERGANGSSTUECKR1.1/4XG1.1/2" KSB

4937760 MFG #: 90052823
€207,13 / 1.00
  • Merk: KSB