Geminibeugel MAPRESS koper (brons) 2x muurplaten 15x1/2"bn. hoh 150mm Geberit
0GJ3814
MFG #: 63473
€48,71
/ 1.00
- Kwaliteitsklasse materiaal behuizing: CuSn5Zn5Pb2
- Met beschermkap: Ja
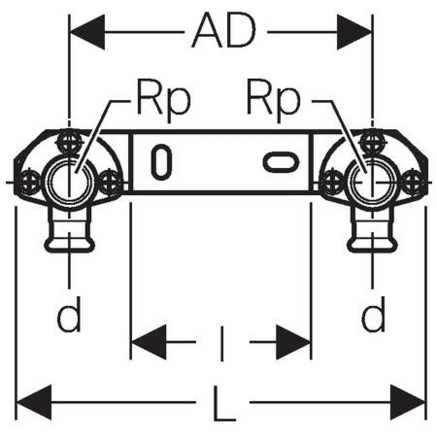
- Aansluiting: Persmof
- Afstand hart tot hart: 153 mm
- Contourcode: M
- Draadmaat kraanaansluiting: 1/2"
- DVGW-keur voor gas: Nee
- DVGW-keur voor water: Ja
- KOMO-keur: Nee
- Lengte vanaf muurplaat: 36 mm
- Materiaal behuizing: Brons
- Materiaalkwaliteit: CuSn5Zn5Pb2
- Mediumtemperatuur (continu): 0 - 70 °C
- Merk: Geberit
- Met geluiddempingset: Nee
- Met thermische isolatie: Nee
- Model: Dubbel brug
- Nom. diameter aansluiting: DN 12
- Oppervlaktebescherming: Onbehandeld
- Systeemgebonden: Ja
- Uitwendige buisdiameter aansluiting: 15 mm
- Type: Brons
- Serie: Mapress
