Lengte a 6m. Kabelladder functiebehoud 150mm 60x200 6207523 OBO
4077246
MFG #: 6207523
€715,80
/ 1.00
- Bevestiging sport: Gepopt
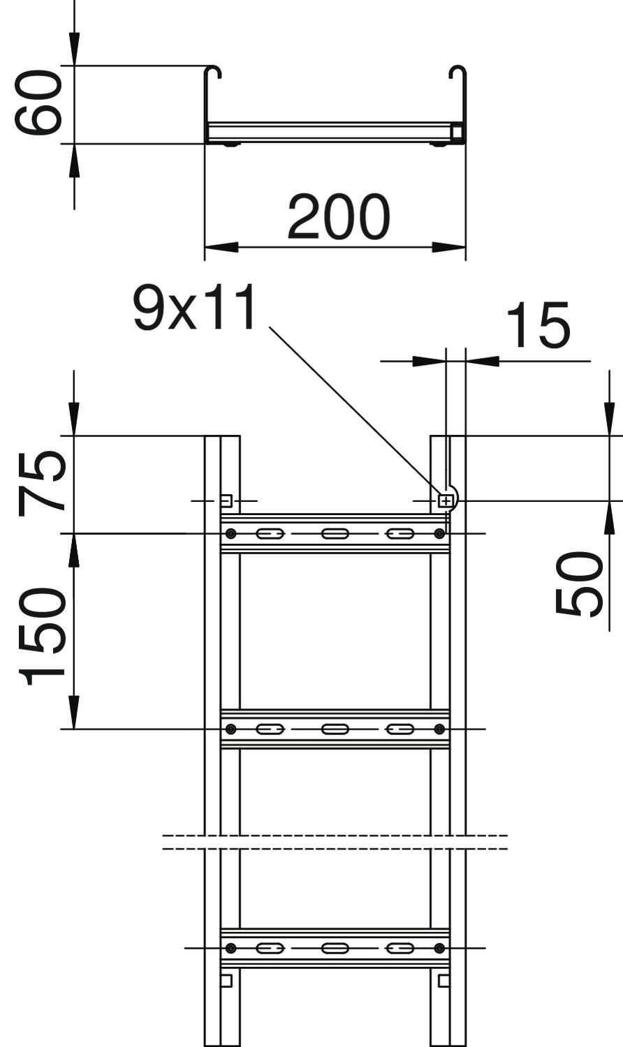
- Breedte: 200 mm
- Geschikt voor functiebehoud: Ja
- Gewicht: 3,33 kg/m
- Hoogte: 60 mm
- Kleur: Zink
- Lengte: 6000 mm
- Materiaal: Staal
- Materiaalkwaliteit: Overig
- Merk: OBO
- Nuttige doorsnede: 9800 mm²
- Oppervlaktebescherming: Thermisch verzinkt (Hot-dip)
- Serie: LG-VSF-Serie
- Sportafstand hart/hart: 150 mm
- Stijgkabelladder: Nee
- Type: LG 620 VSF 6 FT
- Uitvoering zijligger: Profiel (open vorm)
- Uitvoeringsvorm sport: Profiel geperforeerd
- Zijperforatie: Ja
