Lengte a 6m. Kabelladder functieb. sportafs. 150mm 60x300 OBO
4077242
MFG #: 6207505
€516,36
/ 1.00
- Bevestiging sport: Gepopt
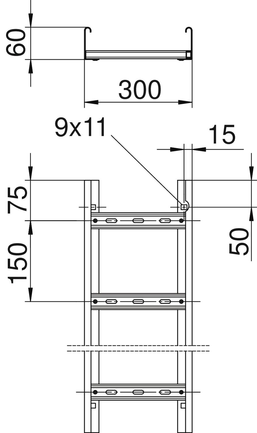
- Breedte: 300 mm
- Geschikt voor functiebehoud: Ja
- Gewicht: 3,56 kg/m
- Hoogte: 60 mm
- Kleur: Zink
- Lengte: 6000 mm
- Materiaal: Staal
- Materiaalkwaliteit: Overig
- Merk: OBO
- Nuttige doorsnede: 14800 mm²
- Oppervlaktebescherming: Bandverzinkt (sendzimir verzinkt)
- Sportafstand hart/hart: 150 mm
- Stijgkabelladder: Nee
- Type: LG 630 VSF 6 FS
- Uitvoering zijligger: Profiel (open vorm)
- Uitvoeringsvorm sport: Profiel geperforeerd
- Zijperforatie: Ja
