Relaismodule DC 110V 1 wisselcontact 859-399 VVE=10 Wago
4099616
MFG #: 859-399
€36,43
/ 10.00
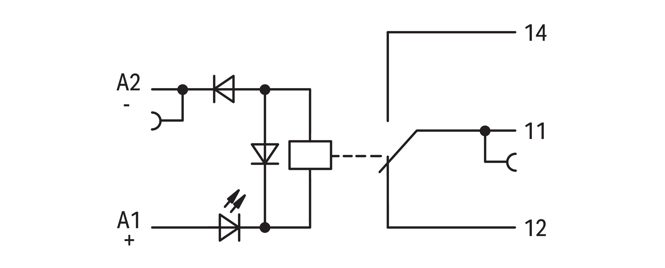
- Aandrijving, polarisatie: Gepolariseerd
- Aantal contacten als maakcontact: 0
- Aantal contacten als verbreekcontact: 0
- Aantal contacten als wisselcontact: 1
- Beschermingsgraad (IP): IP20
- Breedte: 6 mm
- Compleet apparaat met sokkel: Ja
- Diepte: 91 mm
- Hoogte: 91 mm
- Materiaal contactcoating: Tin
- Merk: Wago
- Met afneembare klemmen: Nee
- Met dwanggeleide contacten: Nee
- Met LED indicatie: Ja
- Nom. stroom: 5 A
- Nom. stuurspanning bij DC: 110 - 110 V
- Schakelverhouding van de aandrijving: Monostabiel
- Type schakelcontact: 1-voudig contact
- Type stuurspanning: DC
- Uitvoering elektrische aansluiting: Veerklemaansluiting
- Type: 859-399
- Serie: Serie 859
