Relaismodule DC 110V 4 wisselcontacten 858-307 VVE=5 Wago
4099567
MFG #: 858-307
€24,90
/ 5.00
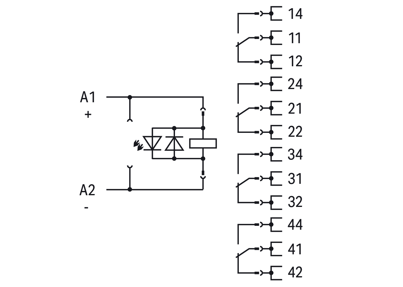
- Aandrijving, polarisatie: Gepolariseerd
- Aantal contacten als maakcontact: 0
- Aantal contacten als verbreekcontact: 0
- Aantal contacten als wisselcontact: 4
- Beschermingsgraad (IP): IP20
- Breedte: 31 mm
- Compleet apparaat met sokkel: Ja
- Diepte: 97 mm
- Hoogte: 97 mm
- Materiaal contactcoating: Overig
- Merk: Wago
- Met afneembare klemmen: Nee
- Met dwanggeleide contacten: Nee
- Met LED indicatie: Ja
- Nom. stroom: 5 A
- Nom. stuurspanning bij DC: 110 - 110 V
- Schakelverhouding van de aandrijving: Monostabiel
- Type schakelcontact: 1-voudig contact
- Type stuurspanning: DC
- Uitvoering elektrische aansluiting: Veerklemaansluiting
- Type: 858-307
