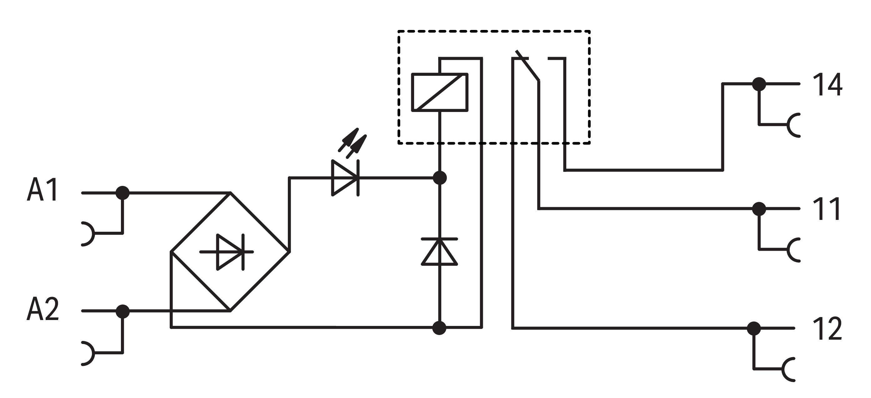
Relaismodule AC/DC 115V 1 wisselcontact grij 857-357 Wago
4099483
MFG #: 857-357
€30,77
/ 1.00
- Aandrijving, polarisatie: Ongepolariseerd
- Aantal contacten als maakcontact: 0
- Aantal contacten als verbreekcontact: 0
- Aantal contacten als wisselcontact: 1
- Beschermingsgraad (IP): IP20
- Breedte: 6 mm
- Compleet apparaat met sokkel: Ja
- Diepte: 94 mm
- Hoogte: 94 mm
- Materiaal contactcoating: Tin
- Merk: Wago
- Met afneembare klemmen: Nee
- Met dwanggeleide contacten: Nee
- Met LED indicatie: Ja
- Nom. stroom: 6 A
- Nom. stuurspanning bij AC 50 Hz: 115 - 115 V
- Nom. stuurspanning bij AC 60 Hz: 115 - 115 V
- Nom. stuurspanning bij DC: 115 - 115 V
- Schakelverhouding van de aandrijving: Monostabiel
- Type schakelcontact: 1-voudig contact
- Type stuurspanning: AC/DC
- Uitvoering elektrische aansluiting: Veerklemaansluiting
- Type: 857-357
