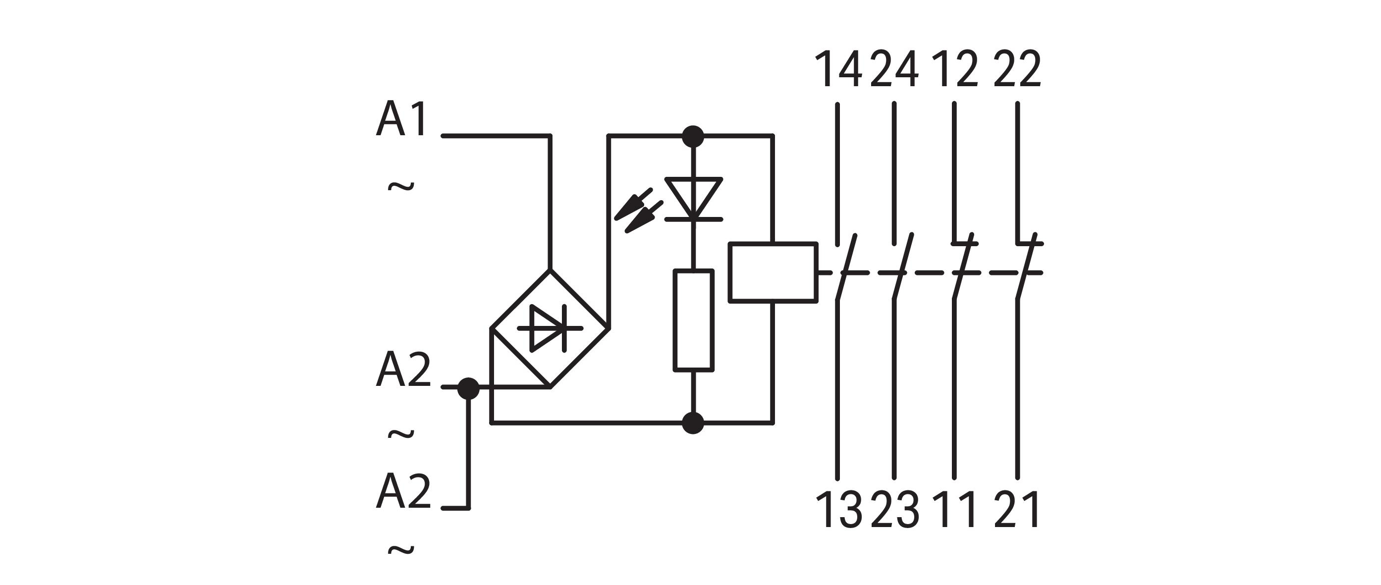
Relaismodule AC/DC 24V 2 maakcontacten+2 789-536 Wago
4097972
MFG #: 789-536
€95,90
/ 1.00
- Aandrijving, polarisatie: Ongepolariseerd
- Aantal contacten als maakcontact: 2
- Aantal contacten als verbreekcontact: 2
- Aantal contacten als wisselcontact: 0
- Beschermingsgraad (IP): IP20
- Breedte: 17,5 mm
- Compleet apparaat met sokkel: Ja
- Diepte: 90 mm
- Hoogte: 90 mm
- Materiaal contactcoating: Nikkel/goud
- Merk: Wago
- Met afneembare klemmen: Nee
- Met dwanggeleide contacten: Nee
- Met LED indicatie: Ja
- Nom. stroom: 4 A
- Nom. stuurspanning bij AC 50 Hz: 24 - 24 V
- Nom. stuurspanning bij AC 60 Hz: 24 - 24 V
- Nom. stuurspanning bij DC: 24 - 24 V
- Schakelverhouding van de aandrijving: Monostabiel
- Type schakelcontact: 1-voudig contact
- Type stuurspanning: AC/DC
- Uitvoering elektrische aansluiting: Veerklemaansluiting
- Type: 789-536
- Serie: Serie 789
