Relaismodule DC 24V 1 wisselcontact grijs 789-304 Wago
4097963
MFG #: 789-304
€42,29
/ 1.00
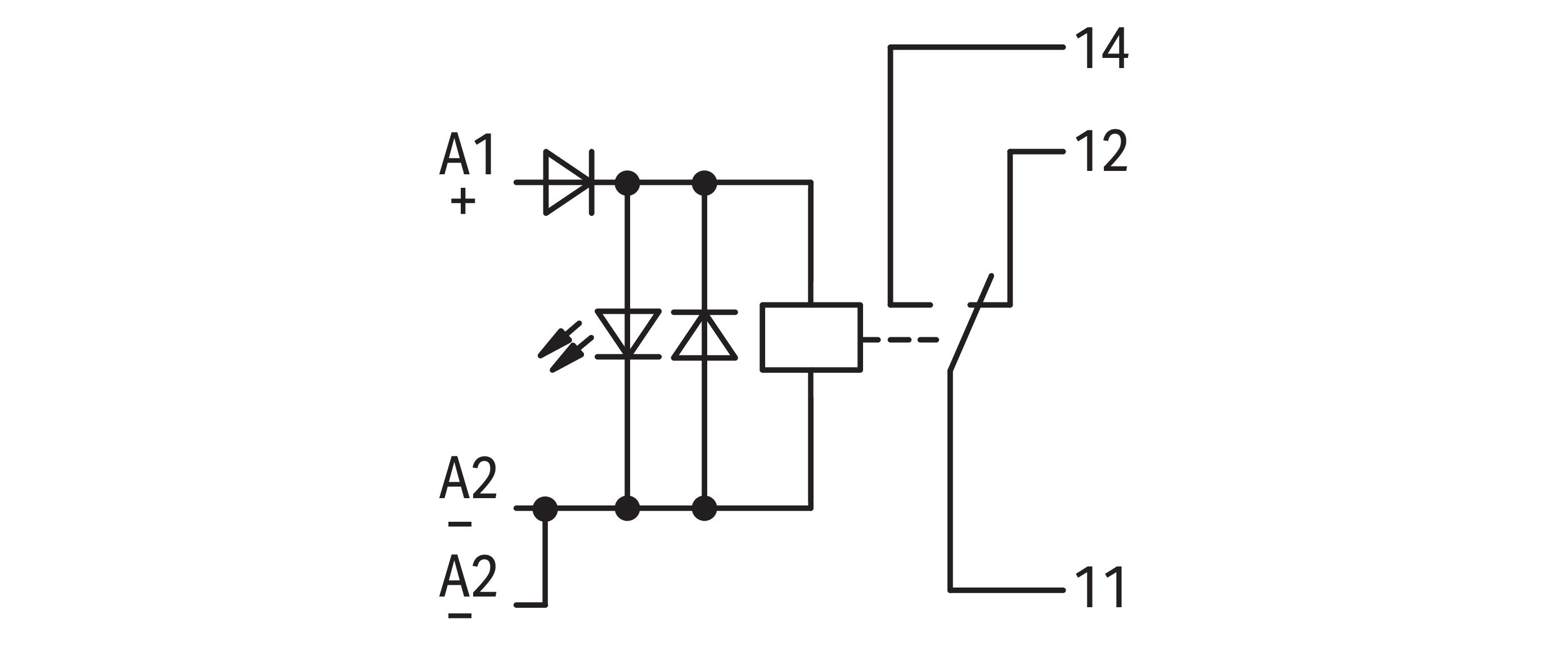
- Aandrijving, polarisatie: Gepolariseerd
- Aantal contacten als maakcontact: 0
- Aantal contacten als verbreekcontact: 0
- Aantal contacten als wisselcontact: 1
- Beschermingsgraad (IP): IP20
- Breedte: 17,5 mm
- Compleet apparaat met sokkel: Ja
- Diepte: 90 mm
- Hoogte: 90 mm
- Materiaal contactcoating: Zilver
- Merk: Wago
- Met afneembare klemmen: Nee
- Met dwanggeleide contacten: Nee
- Met LED indicatie: Ja
- Nom. stroom: 12 A
- Nom. stuurspanning bij DC: 24 - 24 V
- Schakelverhouding van de aandrijving: Monostabiel
- Type schakelcontact: 1-voudig contact
- Type stuurspanning: DC
- Uitvoering elektrische aansluiting: Veerklemaansluiting
- Type: 789-304
- Serie: Serie 789
