Relaismodule DC 110V 2 wisselcontacten grijs 788-315 Wago
4097893
MFG #: 788-315
€16,57
/ 1.00
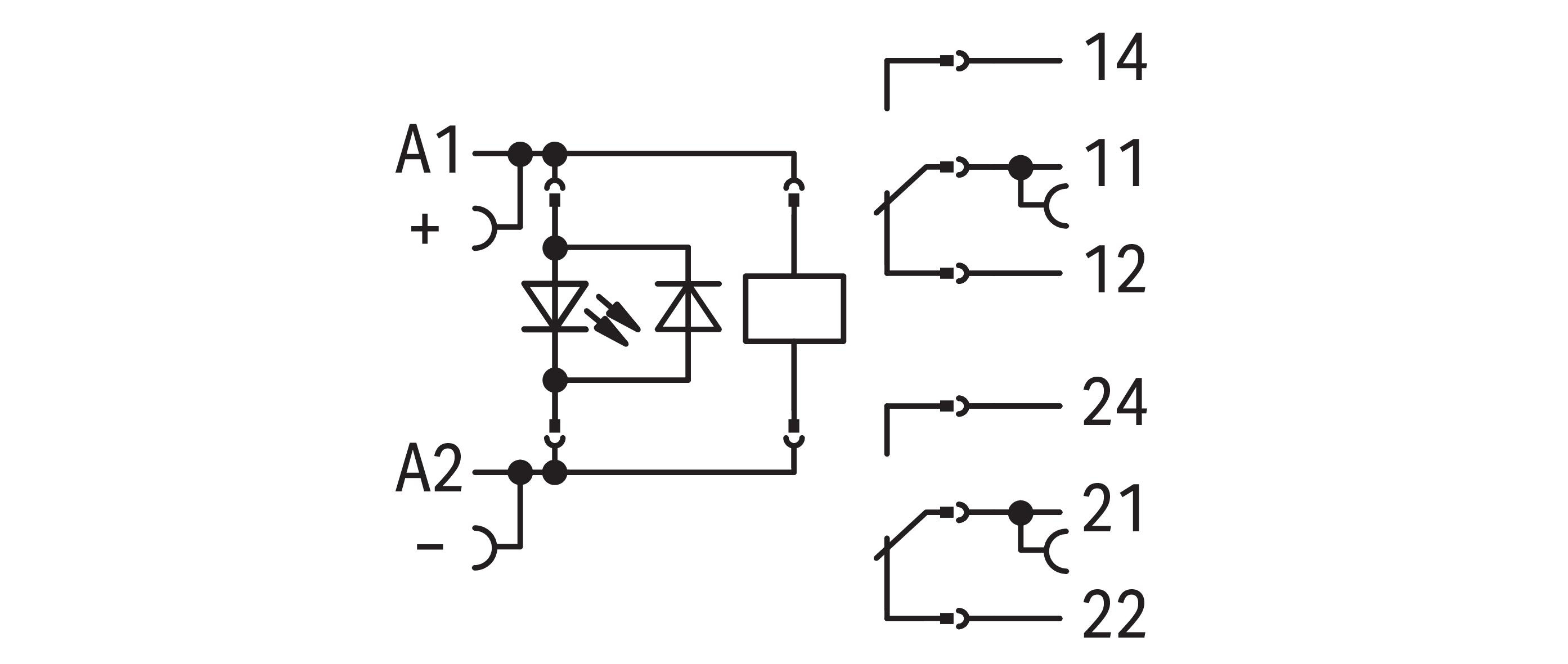
- Aandrijving, polarisatie: Gepolariseerd
- Aantal contacten als maakcontact: 0
- Aantal contacten als verbreekcontact: 0
- Aantal contacten als wisselcontact: 2
- Beschermingsgraad (IP): IP20
- Breedte: 15 mm
- Compleet apparaat met sokkel: Ja
- Diepte: 86 mm
- Hoogte: 86 mm
- Materiaal contactcoating: Zilver
- Merk: Wago
- Met afneembare klemmen: Nee
- Met dwanggeleide contacten: Nee
- Met LED indicatie: Ja
- Nom. stroom: 8 A
- Nom. stuurspanning bij DC: 110 - 110 V
- Schakelverhouding van de aandrijving: Monostabiel
- Type schakelcontact: 1-voudig contact
- Type stuurspanning: DC
- Uitvoering elektrische aansluiting: Veerklemaansluiting
- Type: 788-315
- Serie: Serie 788
