Relaismodule DC 110V 1 wisselcontact grijs 788-307 Wago

4097887 MFG #: 788-307
€15,23 / 1.00
  • Aandrijving, polarisatie: Gepolariseerd
  • Aantal contacten als maakcontact: 0
  • Aantal contacten als verbreekcontact: 0
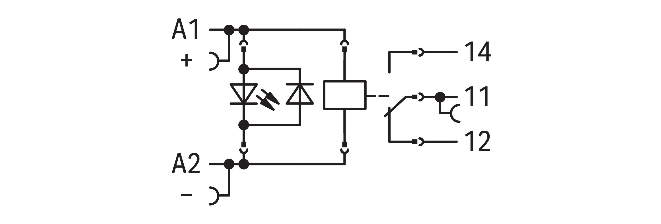
  • Aantal contacten als wisselcontact: 1
  • Beschermingsgraad (IP): IP20
  • Breedte: 15 mm
  • Compleet apparaat met sokkel: Ja
  • Diepte: 86 mm
  • Hoogte: 86 mm
  • Materiaal contactcoating: Zilver
  • Merk: Wago
  • Met afneembare klemmen: Nee
  • Met dwanggeleide contacten: Nee
  • Met LED indicatie: Ja
  • Nom. stroom: 16 A
  • Nom. stuurspanning bij DC: 110 - 110 V
  • Schakelverhouding van de aandrijving: Monostabiel
  • Type schakelcontact: 1-voudig contact
  • Type stuurspanning: DC
  • Uitvoering elektrische aansluiting: Veerklemaansluiting
  • Type: 788-307
  • Serie: Serie 788