Aardlekautomaat digi RCBO FRBdM 2-polig 10A B-karakteristiek 10mA 10kA G/A Eaton

4313202 MFG #: 168294
€300,96 / 1.00
  • Aansluitbare geleiderdoorsnede eendraads: 1 - 25 mm²
  • Aansluitbare geleiderdoorsnede meerdraads: 1 - 25 mm²
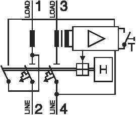
  • Aantal beveiligde polen: 2
  • Aantal polen (totaal): 2
  • Afschakelkarakteristiek: Kortvertraagd
  • Beschermingsgraad (IP): IP20
  • Breedte in module-eenheden: 2
  • Energiebegrenzingsklasse: 3
  • Frequentie: 50 Hz
  • High-immunity uitvoering: Ja
  • Inbouwdiepte: 70 mm
  • Inbouwmontage (stucwerk): Nee
  • Meeschakelende nul: Nee
  • Merk: Eaton
  • Met vergrendelingsvoorziening: Nee
  • Montagewijze: DIN-rail
  • Nom. (meet)spanning: 240 V
  • Nom. (meet)stroom: 10 A
  • Nom. afschakelvermogen IEC 60947-2: 0 kA
  • Nom. afschakelvermogen volgens EN 61009: 10 kA
  • Nom. foutstroom: 0,01 A
  • Nom. isolatiespanning Ui: 250 V
  • Nom. kortsluitafschakelvermogen Icn volgens EN 61009-1: 10 kA
  • Nom. stoothoudspanning (Uimp): 4 kV
  • Omgevingstemperatuur tijdens bedrijf: -25 - 40 °C
  • Overspanningscategorie: 3
  • Spanningstype: AC
  • Stootstroomvastheid: 3 kA
  • Type lekstroom: A
  • Uitschakelkarakteristiek: B
  • Verliesvermogen: 4,4 W
  • Vervuilingsgraad: 2
  • Type: FRBDM-B10/2/001-G/A
  • Serie: xEffect